電工進階實習
1. 一燈一插座電箱
MCB 小型過載斷路器 |
總掣 |
RCCB水氣掣 |
- MCB 小型過載斷路器Miniature circuit breakers (MCB),係電器過載時跳脫既斷路器,無漏電跳脫功能。
MCB內裏有一組線圈和斷電機關,電流流過線圈時就會產生磁場,若電流高過額定值,磁場強度就足以啟動一個開關裝置使其斷路。
- 漏電斷路掣: ELCB, RCD, RCCB 都係漏電斷路器 Earth leakage circuit breaker (ELCB), Residual-current device (RCD), Residual current circuit breakers (RCCB) ,係電器漏電時跳脫既斷路器,無過載跳脫功能,俗稱水氣掣。水氣掣係一個電流平衡監測器, 電路中電流流經斷路器後回路一定要相同,若差額大於30mA(毫安)時, 就會在某一段時間内立刻斷路。
- 香港機電工程署電力( 線路) 規例工作守則電燈線路係不必經過水氣掣,只要過電流斷路制MCB斷電,電流不超過6A就可以。冷
氣電路也不須經漏電斷路掣。
- 單相總掣分為30A與60A兩種,最高電流限為60A,超過60A就要用三相。
- 總掣能同時截斷火線和中線。
- 有些漏電斷路掣和總掣是造在一起的,稱為『水總』,一身兼兩職,節省空間和成本。
- MCB的掣柄顏色顯示限載電流: 黑(40A); 紫(32A); 藍(20A); 紅(10A); 綠(6A)。
- 任何一個MCB的負荷超過總掣的一半,就要用3相。
- bar(銅巴): 電櫃里的分電銅捧
- 刀掣: 手動的開關, 推上時斷開電路(或電源), 拉下時合攏電路(或接通電源)
- 電工A牌: 只可處理400A以下的電箱,例如一般舊樓的供電設施,是沒有掣房的,如有電錶房,可入內工作。
- 電工B牌: 只可處理2500A以下的電箱,樓宇有掣房,只可處理一隻1500KVA的火牛。
- 電工C牌: 可處理超過一隻火牛,負荷亦無限制。
- R牌: 是為細牌,用途為證明為非電工,持牌人只可從事電梯、冷氣、霓虹燈、發電機及水泵等工程。
2. 雙燈雙插座電箱

3. 環型插座電箱電路

一般常見的電線種類:
- 花線:花線是由多根(0.18mm/30 根以上)細小銅線的導體及絕緣層組成,一般使用在
小型電器具的配接線上(如燈具,電視等…),若使用電熱器(如電鍋、電熨斗等…)
其容量達500 瓦以上者,應使用耐熱花線。在永久性分路配線上,則不得使用花線(如
室內配線)。花線電壓只適用於300V 以下,線路長度不得超過三公尺。 - 單心線:單心線又稱為實心線。單心線是由單一銅線的導體及絕緣層組成,在低壓室內配線上,其使用線徑不得小於1.6mm。
- 白扁線:白扁線是由二根單心線及絕緣層組成,一般應用在室內明配線上。
- 絞線:絞線是由多根(0.6~3.2mm/7~61 根)單一銅線的導體及絕緣層組成,絕緣導線線徑在3.2 公厘以上者應用絞線,絞線可應用在較大負載電流場所上,若使用在室內配線上,其線徑不得小於2.0mm²。
- 電纜線:電纜線是由多根(2 根以上)絞線及絕緣層組成,一般可應用在室內外明配線 及較差的配線環境上。
1mm單芯線 |
2.5mm絞線 |
電路的測試
完工後可用四合一測試儀檢測。
四合一測試儀使用說明 |
四合一測試儀錶板 |
可作以下測試:
- 電阻測試
- 絕緣電阻測試
- 環路阻抗測試
- 漏電斷路器跳脫時間測試
測試報告:
- 工藝: 銅線要見到離開占口1mm,以防止包膠過長,占線的螺絲只是占著膠皮。
- 連續性測試: 電路通與不通
- 絕緣電阻: 檢查有沒有漏電
- 極性測試: 檢查有沒有接錯線
- 漏電斷路器測試: 究竟用幾多時間跳掣
- 檢測是否環形電路: 鑒定最遠的插座有沒有電線回路成環形
4. 電機控掣電路
各款按扭開關 |
常閉(NC)紅色 |
常開(NO)黑色 |
常見縮寫:
- COM(Common)表示共接點。
- NO(Normally Open)表示常開接點。平常處於開路,按下後才與共接點COM接通。
- NC(Normally Close)表示常閉接點。平常處於閉路(與共接點COM接通),按下後才成為開路(斷路)。
- 常開(NO)掣與常閉(NC)掣是同一款掣,按扭有齊紅黑兩色接點,選用紅色接點是作為NC掣使用,選用黑色接點是作為NO掣使用,解釋見下圖:

5. 前後(開停)車控掣
一般電機控掣都會使用索掣的,目的是保護維修人員,令維修中的機件(例如電梯)不會突然啟動,誤傷維修員或機械使用者,其 原理是機器停電後,就算按機器本身的開關掣也不會啟動的,必須按一個特定啟動掣,令索掣啟動,接通工作電流,機器才會有電運作的,故索掣是一個安全保護裝 置,亦可作為利用低壓電路操作高壓電路的工具,索掣是要配合緊急停車掣(NC掣)及開車掣(NO掣)使用的。
索掣:
索制是指繼電器, 英文是contactor,它有一個電磁線圈, 線圈環繞一組鐵蕊,鐵蕊連接導電的觸點. 當電磁線圈通電時, 產生磁場, 拉動鐵蕊, 鐵蕊合攏後, 觸點閉合, 使原來斷開的電路合上通電。
運動原理如下:電磁繼電器一般由鐵芯、線圈、銜鐵、觸點簧片等組成的。只要線上圈兩端加上一定的電壓,線圈中就會流過一定的電流,從而產生電磁效應,銜鐵 就會在電磁力吸引的作用下克服返回彈簧的拉力吸向鐵芯,從而帶動銜鐵的動觸點與靜觸點(常開觸點)吸合。當線圈斷電后,電磁的吸力也隨之消失,銜鐵就會在 彈簧的反作用力返回原來的位置,使動觸點與原來的靜觸點(常閉觸點)釋放。這樣吸合、釋放,從而達到了在電路中的導通、切斷的目的。對於繼電器的“常開、 常閉”觸點,可以這樣來區分:繼電器線圈未通電時處於斷開狀態的靜觸點,稱為“常開觸點”;處於接通狀態的靜觸點稱為“常閉觸點”。繼電器一般有兩股電路,為低壓控制電路和高壓工作電路。

停車/開車掣及索掣 |
索掣(繼電器) |
電路接駁:

自保電路:
開車時,只會按一下開車掣,令索掣通電啟動(這是控掣電路),閉合工作電路,令機器運作,跟 著工人會縮手,開車掣的按扭便回彈(回復NO),不會再向索掣供電,要令索掣維持工作電路閉合狀態,必須有一個自保電路,令索掣一經啟動,便會繼續啟動, 除非按停車掣(截斷電源),其原理是供應索掣運作的電流也是由索掣啟動後自己提供的,不須經開車掣的閉合電路,故名為自保電路,詳情看上圖。
6. 屈曲及接駁燈喉
燈喉分兩種: PVC膠喉及鐵喉
PVC膠喉
一般PVC膠燈喉的尺寸分為20mm(六分)及25mm(1吋)直徑,膠喉間的 接駁較簡單,切割合適的長度,用膠梳杰(socket)接駁便可,連接至膠箱或鐵燈箱時,可使用膠杯臣(bushing),見附圖。注意:切割膠喉不可使 用鐵鋸,因會有膠碎屑留在鋸口,清理麻煩,要用專用膠喉剪鉗,快捷方便。膠喉到牆角,若需轉彎,就要屈曲膠喉,屈曲膠喉要使用彈簧,將彈簧放入膠喉內屈 折,若不用彈簧,膠喉是會爆裂摺扁的。購買彈簧可去五金舖或電器舖,買一枝20或25mm直徑的彈簧(2尺長左右)。使用方法: 彈簧的一端以電線(約4呎)穿好,將彈簧套入膠喉內(*先用色筆在喉面畫下所需曲位尺寸),用膝蓋頂著膠喉彎曲(多過90度少許),再拉出彈弓便成。
*一個90度扇形轉角的長度等如1/4個圓周
圓周 = 直徑 X π = 2半徑 X π
例如將轉角的半徑定為7吋,1/4個圓周 = 2 x 7吋 x 22/7 ÷ 4 = 11吋
在膠喉離牆7吋的位置畫記號,從記號處再量取11吋,畫記號,屈曲此段成一扇角便可。
屈曲膠喉也可用屈鐵喉的工具(屈喉機),但器械太笨重,難於攜帶,沒人使用,用彈簧方便好多。
燈喉轉角內半徑不能太小,否則喉管會摺扁及很難穿線,容許的燈喉曲內半徑如下:
r = 轉角內半徑 ............D = 燈喉的直徑
鐵喉:r ≧ 2.5D

膠梳杰 |
膠杯臣連杯索 |
膠喉剪鉗 |
用膝蓋屈喉 |
套進膠喉的彈簧
屈膠喉用的彈簧 |
屈喉機顯示滾輪
屈曲喉管中 |
屈喉機
用虎鉗夾緊喉管 |
用鐵鋸切割鐵喉
|
用套絲器絞牙 |
鐵過路箱 |
套絲器(未上板牙)
套絲器(俯視)
套絲器(側視) |
杯臣 |
梳杰 |
已絞牙的一小截燈喉 |
顯示杯臣連接燈箱 |
另一顯示杯臣連接燈箱 |
潤滑用生油 |
鐵喉用喉碼 |
套裝套絲器 |
輕型喉曲模 |
以下彎管器適用於屈曲膠喉及鐵喉
如何使用喉曲模 |
|
鐵喉
接駁鐵喉先要絞牙。
絞牙
一般鐵燈喉的尺寸分為20mm(六分)、25mm(1吋) 及32mm(吋2)直徑,切割鐵喉須使用鐵鋸,接駁鐵喉要先絞牙(製造螺絲紋),使用套絲機(又稱喉板)的牙頭絞牙,板牙頭上的板牙刀以恆力貼緊管子的端 部,旋轉把手,板牙刀就會切削套絲。先拆除喉板的配件如牙頭及套咀,用鋼絲刷清理之前絞牙留下的鐵屑,用布將油污抺拭乾淨,再重新裝配套絲器,利用屈喉機 的虎鉗將喉管夾實,如上圖所示將套絲器套入喉管,邊順時針旋轉,邊用力迫壓喉管,此過程名為入牙,初頭的兩轉頗費力的,若能成功入牙,以後只需用力旋轉套 絲器便可,不需再用力迫壓喉管,操作變得較容易,再轉多兩圈,在前端的管口加潤滑油,用一般煮食生油便可,加油後,套絲器的旋轉會變得更容易,此時每轉一 圈便倒回半圈,反覆前進,直至喉管穿出套絲器,可見到兩圈螺絲紋便完成絞牙,將套絲器回轉退出。如果是絞 20 mm喉,通常問題不大,但是 25和32 mm喉,很容易因為喉板不鋒利而入不到牙的,這時可利用一條 2.5單枝線幫你入牙,先將2.5線打孖,然後連喉閘和牙板一同綁著,用一般絞牙手法轉動,牙板就會因為電線拉緊而輕易入牙,但入一次之後電線會斷,很浪 費的,省錢是可用竹棚用的尼龍帶代替2.5線。
喉板 |
鐵喉配件 |
膠喉喉配件 |
接駁鐵喉
鐵喉的接駁是利用喉管前端的螺絲紋旋入配件中,再用大力鉗上緊,配件名為梳杰( Socket),結構很簡單,是一枝內壁攪了牙(稱為內牙) 的預製短喉管。好多師傅穿線時,遇上短喉或直喉時,會把電線包好後直接推入喉內(俗稱篤線),省卻穿膠帶或鋼線的步驟,好多時在推至喉咀時,會被杯臣阻 礙,就算是把電線前端摺覆包膠布也不能避免,建議大家包膠布時,留一條膠布尾,做法是包完後留一長膠布尾,膠布尾自我捲接成長棒狀,穿線時膠布尾先行,由 於膠布具有彈性,因此不易被喉咀杯臣阻擋,可以一氣呵成穿出。
屈曲鐵喉
屈喉機 (Bender)
屈喉機是用作屈曲電氣金屬喉管的手動機械。一部標準的屈喉機主要配件有喉曲模、喉頂、喉頂插杆、屈喉杆及屈喉杆滾輪等。
而喉頂插杆及屈喉杆更有不同的窿位以便配合不同尺寸之燈喉,所以使用時須根據燈喉尺寸安裝適當的喉曲模、喉頂及屈喉杆滾輪位置。

向下屈曲 (Downward Bending)
一般常用的屈喉方法,俗稱『正屈』,將燈喉放在喉曲模坑內,喉頂及滾輪之下,如(圖A)位置所示,施力於屈喉杆並向下拉,燈喉便會如(圖A)虛線般彎曲。

向上屈曲(Upward Bending)
俗稱『反屈』,當屈曲之燈喉過長時,若用向下屈曲的方法未能使燈喉屈曲至需要角度便觸到地下,如(圖B)示,可用此方法。將燈喉放在喉曲模下,喉頂及滾輪
之上,如(圖C)位置,施力於屈喉杆並向上拉,燈喉便會如(圖C)虛線般彎曲,由於屈喉機離天花頂之空間通常較多,所以一般可用此方法處理較長燈喉,但屈
喉時會較吃力。

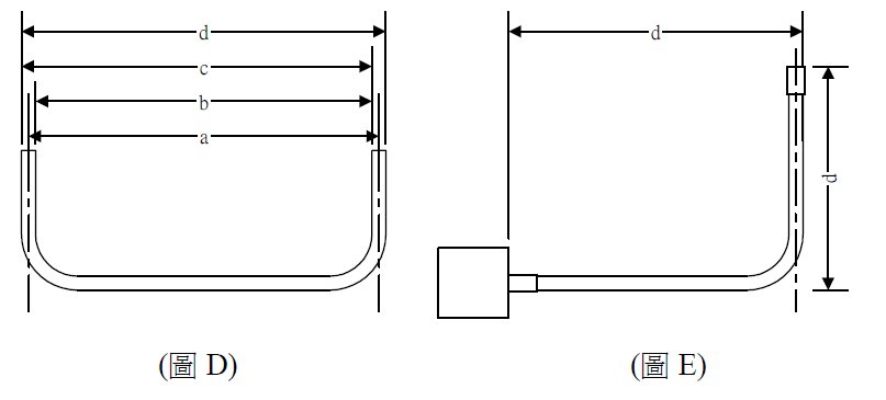
量度尺寸
一般燈喉曲或燈喉尺寸之量度,都是用以下(圖D)四種方法作參考:

a. 喉中心與喉中心之距離。
b. 喉內邊與喉內邊之距離。
c. 喉內邊與喉外邊之距離。
d. 喉外邊與喉外邊之距離。
但為了方便工作,減少計算之麻煩,通常都採用喉外邊與喉外邊的距離『d』或燈喉最左(頂)的一點至最右(底)的一點(圖E)為準則。
試喉(曲位)
屈喉機屈出來的曲位大小,主要由喉曲模控制。所以一部新或未知曲位大小的屈喉機之喉曲模,最好進行試喉程序,以便知道每個喉曲模彎位大小,這樣才可得到準
確尺寸。首先用一條20 mm 短燈喉,假設長度為700 mm,在400 mm 處以幼筆作一記號,另一端則長300
mm,如(圖F),放上屈喉機並作向下屈曲,400 mm
的一邊應放在死位那邊,死位即以喉滾輪為中心,屈喉時不彎曲移動的一邊,如(圖G),喉頂及喉滾輪應插放在20 mm 燈喉窿位,由於現時測試20 mm
燈喉,所以喉曲模必須選擇20 mm。
調校燈喉位置直至預先作好的記號位置剛剛在喉曲模圓邊之上,再用角尺確定其位置,如(圖H),較準後作向下屈曲成90 度角,當屈曲成90 度角後,再量度燈喉尺寸,這時燈喉尺寸可分為水平尺
寸及垂直尺寸,分別以X(死位)及Y(生位)代表,量度後發覺X 之尺寸為預先量度的400 mm,Y 則變為355 mm,如(圖I),但不同廠出品的喉曲模可能有不同Y 的尺寸。

試喉後所得的結論
1. 若屈曲後取水平尺寸,只需將要求尺寸做一記號,放在死位的一邊,調校燈喉使記號位置剛剛於喉曲模圓邊以上,再用角尺確定,屈曲後便可得到所需尺寸。

2. 基於種種原因,取水平尺寸可能不太方便,這時可取垂直尺寸,由於試喉後發覺記號位置剛剛於喉曲模圓邊以上時,屈曲後尺寸變成了355
mm,但本來生位的一邊是300 mm,即多了55 mm,我們叫它為『賺』,即每屈一個90 度曲,生位的一邊便賺55
mm,所以若取垂直尺寸時,應先將曲位尺寸,例如(圖J)400 mm 長度,首先減去55 mm,即345 mm
處作一新記號,並將新記號置於喉曲模圓邊上,如(圖K),屈曲後便成為垂直尺寸400 mm 喉曲。
3. 但為了方便工作,省卻減數之麻煩,我們可將賺的位置,在喉曲模作一標記,例如用鋸鋸一條線於喉曲模上,以後需要取垂直尺寸時,只需將屈曲後的尺寸,例如 600 mm,做一記號在燈喉,放上屈喉機,調較燈喉使記號位置剛剛與喉曲模鋸線標記相同時,此時便無需減去任何長度,如(圖L),若喉頂及滾輪的位置仍是處於 20 mm 位置時,則角尺之校準更不需要,屈曲後便是我們所需(圖M)尺寸。

總結
一部標準屈喉機都應包括16、20、25、32 mm 等的喉曲模,所以當定好標記在20mm
喉曲模後,可繼續進行其他喉曲模之試喉程序,並將標記一一刻在各款喉曲模上,以後用到其他各款燈喉時,便方便得多。以上之測試程序,全部都是向下屈曲方
向,若真的要作向上屈曲時,只需將所有位置置於相反方向,也同樣得到所需尺寸,無需再進行試喉程序。
現時一般電氣技工屈喉時都喜歡取垂直尺寸,因無需計數及使用角尺,但有時真的要取如(圖N)水平尺寸時,例如1500 mm,首先要減去賺的長度,做一記號,並將記號放在喉曲模標記處,如(圖O)示屈曲後便是我們所需的尺寸。

之字曲
燈喉之裝置需要屈曲時,通常都是屈曲90 度,但假如我們要在樓梯底裝置燈喉系統上樓,如(圖P)所示,由於樓梯的角度不是90 度,若再屈曲90 度時,便不太美觀及佔用太多空間,這時便需用其他方法將燈喉屈曲至適當角度以配合地形,而尺寸也必須同樣準確。
一般小於90 度之曲位,屈曲時通常都是用同一角度,但用不同方向及位置對稱地屈曲兩次如(圖Q),這種喉路行走方法,與中文『之』字十分相似,所以稱之為『之字曲』。

角度量度尺
要得到正確小於90 度燈喉曲尺寸,首先要自行製造一把角度量度尺。最簡單方法可用兩條300 mm
鋸片,將它們的其中一邊窿位用螺絲及絲母過山收緊,兩條鋸片便成為兩隻活動的臂,如(圖R及圖S)好像圓規一般,調節兩條鋸片可得到不同的角度,但故定的
螺絲不能太鬆,否則兩條鋸片可自行移動,角度便不準確。

量度之字曲尺寸及角度

屈之字曲前,首先要決定燈喉的路線與角度,若可能的話,最好在要安裝燈喉的牆上劃出燈喉完成後之直線圖樣,如(圖T)所示,並在之字曲位外角放上預先製造
的角度量度尺,調校角度量度尺,直至其角度與燈喉屈曲角度一樣,位置如(圖U)所示,再量度在起始一邊至角度量度尺頭的距離,假設為200
mm,並記錄此點在牆上,首先屈曲這之字曲位,其後再量度及屈曲其他跟隨之字曲。
屈之字曲
量度之字曲尺寸及角度後,先用一條直喉量度200 mm 作一記號,放上屈喉機,而200 mm
的一端應放在死位的一邊,再將預先量度好角度的角度尺楔入喉曲模上,角度尺一臂使其位置於喉曲模頂,並平行燈喉,另一臂則剛剛接觸到喉曲模圓邊的任何一
點,如(圖V)所示,但角度尺預先量度的角度必須保持,不能有變,再調校燈喉直至預先作的記號剛在角度尺頭,如(圖W)的位置,校準後可作向下屈曲,但屈
曲時應慢慢嘗試角度,不可太用力,否則屈曲角度可能過籠,直至被屈曲的角度如(圖W)虛線所示位置,然後取出放上牆測試位置及角度是否正確,假如是正確或
可以接受的話,可繼續用同樣方法屈曲其他的之字曲。

小之字曲
明喉裝置的起始和結尾位置,假如是連接總掣或配電箱時,由於總掣或配電箱預先開窿的位置,都會離箱底較遠,這高度會較離牆碼為多。若用直喉直接連接,燈喉
便不能垂直入箱,效果甚差,如(圖X)示,這時要屈一個小的之字曲昇高高度入箱,如(圖Y)所示,才比較美觀及實用。通常這種小的之字曲,一般都無需太精
確位置及斜度,只是昇高的高度『H』與入箱窿位高度一樣便可以了。

屈小之字曲
首先估計之字曲屈曲位置、斜度和昇高尺寸,如(圖Z)示,並用以前所學的方法,先屈曲一邊,然後放上屈喉機置於相反方向,已屈曲的一端放在死位一邊,再用
一把長尺置於喉曲模頂,並平行已屈曲的一邊,其位置如(圖Z1)所示,調校燈喉位置直至預先打算昇高尺寸『H』之距離為75
mm,校好後便可屈曲直至如虛線所示位置。

金屬喉簡介
金屬喉常用於明裝及暗藏形式的電氣裝置,但在裝置的過程中,應做到電氣連續及機械連續的保護要求,並且要有效接地。
1. 金屬喉和配件的規格和標準
a) 金屬喉和配件
公制:BS 4568 英制:BS 31
b) 電氣裝置用具方形鐵箱
公制:BS 1363,BS 1299 英制:BS 4662
c) 金屬軟喉和配件:BS 731
2. 金屬喉和配件的質量規格
以防銹處理作為質量規格,其中以塗漆為『輕度』處理方式;焗漆為『中度』處理方式;鍍鋅或鉛水為『重度』處理方式。
a) CLASS 1
金屬喉內外以『輕度』處理。
b) CLASS 2
金屬喉內外以『中度』處理。
c) CLASS 3
金屬喉及配件內部以『中度』處理,外部以『重度』處理。
d) CLASS 4
金屬喉及配件內部及外部都以『重度』處理,而政府工程規
定使用CLASS 4 金屬喉和配件。
屈金屬喉應注意的事項
1. 燈喉頭尾需要入箱或駁喉都要絞芽上梳杰,絞芽之長度應該是梳杰長度的一半,這樣才達至『芽頂芽』,從而增加機械強度。
2. 度喉屈曲前必須顧及要裝上的梳杰或絞芽的長度,否則加上梳杰後的尺寸與原先的尺寸便有誤差,若可能的話,最好先絞芽,並裝上梳杰,才量度燈喉尺寸屈曲,這樣便無需加減任何尺寸。
3. 當安裝多過一條燈喉平排而行時,喉與喉之間的距離必須確定有足夠空間可安裝離牆碼。
4. 喉路起點與終點之間,不能設計太多曲位,曲位最多數目必須乎合安裝條例,有需要時應安裝過路箱。
電線連接方法









































