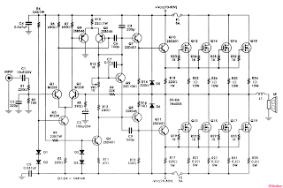
400W MOSFET Amplifier Circuit With IRFP448
Power amp 400W IRFP448 Circuit
Amplifier circuit today,We would like to show you for the MOSFET 400 watt amplifier is amplifier on my kW shares the same circuit and basic PCB layout.
The only real difference is the number of output devices to the device.
We have using The IRFP448 design while the MOSFET amplifier 14 O / P devices.
These amplifiers can be used for virtually any application that requires high performance, low use Noise, distortion and excellent sound quality. Examples would be subwoofer amplifier should FOH stage
Amplifiers, surround a canal a very powerful sound amplifier, etc.
The 400W MOSFET-amplifier has four key stages of amplification. We are looking to start any Phase appropriate detail.
The bias and buffer stage
As the name suggests All Q ,C and ZD the Bias and buffer phases. Its main goal is to provide a stable MOSFET Gates and offset voltage and the voltage buffer amplifier stage of the High Resource capacity. What would have without the phase response and the effect
Slew rate is indeed very bad. The flip side of the coin is not the extra step
Introduction of an additional dominant pole in the amplifier feedback loop.
400W MOSFET PCB
Power amp 400W IRFP448 PCB
and We have the electronic components layout thus as below
Power amp 400W IRFP448 PCB Layout
We have to continue in power circuit PCB and components layout
Power for Amplifier 400W IRFP448 Mesfet PCB
400W Power IRFP448 Mesfet PCB Layout
The final stage of the Current Gain Stage
Also to what the name suggests this stage converts the voltage developed in the VAS
and provides all the amps required to drive at 8 or 4 ohms. 2-ohm loads are possible
for several minutes at a time. In fact, I have tested more than 1600 1kW amplifier
Watts RMS at 2 ohms. But that would not be recommended as a long-term exposure at all.
If it is higher than the figures of the STI-amp.
Power to the AV amplifier 800
The components of the power for this amplifier are as follows, and are favored
A channel or a power module alone.
1 toroidal transformer with a rating of 1kVA. Primary windings are made to fit







22 komentar — Skip to Comment
Really you have done great job,There are may person searching about that now they will find enough resources by your post.I like this blog.
Nice post.............
Electronic Projects
Wrong .. Wrong Schematic ...
are you really shure this Audio Amplifier schematic & pcb contains many errors :
Q8 is Japanese Transistor it's an 2SB =>> PNP not NPN please sea your schematic ..
And you need to verify your PCB ... Wrong project..
Good information here. I really enjoy reading them every day. I’ve learned a lot from them.Thanks so much for sharing this information. Greatly help me being a newbie.
valium online
Buy Sleeping Tablets Online
Short, simple and clear! This post, I really like it, and I advise everyone to read. Only a person with a wealth of life experience could write such an interesting article.
where to buy stilnox
Really you have done great job,There are may person searching about that now they will find enough resources by your post.I like this blog.
This article gives the light in which we can observe the reality. This is very nice one and gives indepth information. Thanks for this nice article.
bsn pins
Nice post and right to the point. I am not sure if this is actually the best place to ask but do you folks have any ideea where to hire some professional writers? Thanks in advance
floral mehndi collection
Online Games Cheats
Get the Fallout 4 Key Generator for Free
I really had a great time with your post! I am looking forward to read more blog post regarding this! Well written !!!! employment agencies
For getting an increased publicity for your facebook account, Individuals expend dollars to Buy Facebook Followers to conveniently have exposure on world wide web. where to buy facebook followers
For getting an increased publicity for your products or personality, Folks expend bucks to Buy Facebook Comments to very easily get direct exposure instantly. buy facebook comment
Becoming famous is effortless these days. Actresses and actors like to Buy Facebook Comments as a method to gain popularity and acceptance on the internet in a short span. buy fb comments
Are you presently needing to gain worldwide recognition instantly? You will need to Buy Facebook Comments to become recognized to our world. buy facebook post comments
Are you searching for ways to get worldwide recognition quickly? You only require to Buy Facebook Followers to become renowned on web. paid facebook followers
Even without reading much of the information which has been published in this article, the subject communicated to me a lot. The words included in the subject of the article are very clear and able to symbolize much of the details. I am indeed very happy to have come across such an informative post. Coursework Revision and Editing Services
No more waiting to get famed at this time. Buy Facebook Followers as a tactic to gain status and authority on internet in a short time period. facebook followers
Facebook is a fantastic platform which gives its users great opportunities to expand their perspectives. buy usa facebook likes
Absolutely nothing is complimentary on earth, but insure that you Buy facebook reviews just from reliable sources for good acceptance on the net. buy facebook page 5 star comments
That is great to hear, thank you for reading!
Observe newest web marketing trends. Buy YouTube subscribers and Compete your competitors. buying youtube subs
Posting Komentar — or Back to Content