UTF-8 Go top 頁頂

為善如春天之草 不見其長 日有所增
作惡如磨刀之石 不見其缺 日有所損

[ICO]NameSizeDescription

[PARENTDIR]Parent Directory -  
[DIR]@eaDir/ -  
[IMG]All Spur-man3.gif 13Kgif
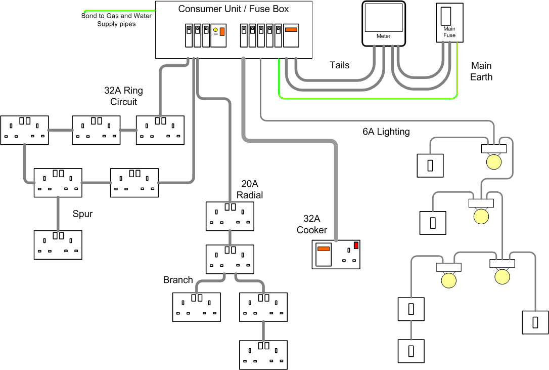
[IMG]Fuse Box Connection.gif 37Kgif
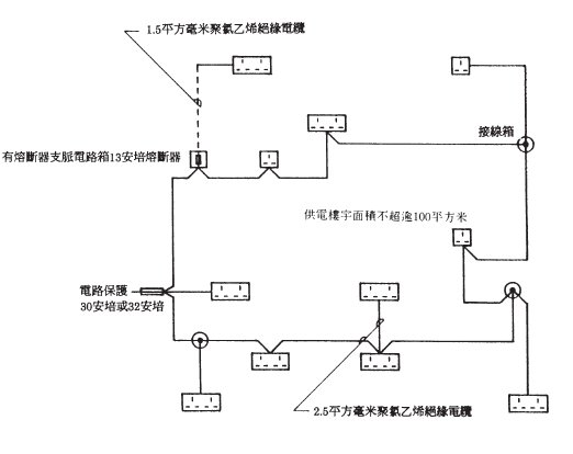
[IMG]環型電路典形最終電路.jpg 24Kjpg
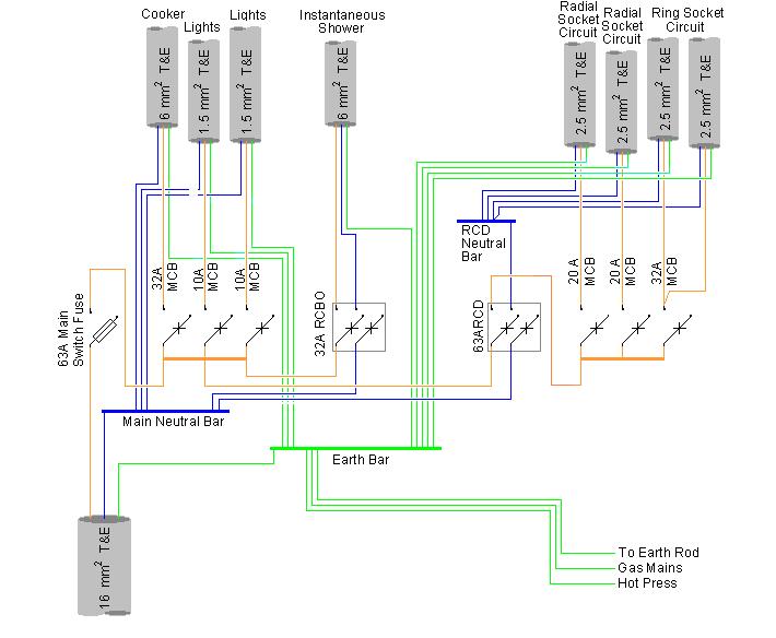
[IMG]線徑.jpg329Kjpg
[IMG]232electric-wiring-domestic-electrical-engineerszone063blogspotcom-35-638.jpg 25Kjpg
[IMG]compRingRad.jpg103Kjpg
[IMG]Connect ring to consumer unit.jpg165Kjpg
[IMG]Fuse Box Wiring.jpg 52Kjpg
[IMG]homebase-how-to-upgrade-a-wall-socket-fig1lg.jpg 35Kjpg
[IMG]images (2).jpg 11Kjpg
[IMG]images.jpg7.2Kjpg
[IMG]In a small house.jpg294Kjpg
[IMG]Normal socket-back.jpg149Kjpg
[IMG]RadialCircuit.jpg 46Kjpg
[IMG]Radial circuit wiring.jpg 46Kjpg
[IMG]Ring circuit wiring.jpg 49Kjpg
[IMG]Ring in socket.jpg122Kjpg
[IMG]Small house wiring.jpg266Kjpg
[IMG]spurConfigs.jpg117Kjpg
[IMG]spurConfigs2.jpg 72Kjpg
[IMG]Spur from Junction Box.jpg 17Kjpg
[   ]ring_circuits_-_advantages.pdf 31Kpdf
[   ]ring_circuits_-_disadvantages.pdf 40Kpdf
[   ]ring_circuits_-_history.pdf510Kpdf
[IMG]557px-Ring_circuit.svg.png 42Kpng
[IMG]folded ring.png276Kpng
[IMG]images.png2.6Kpng
[IMG]ring_circuit_overview_spur.png 22Kpng
[IMG]ring_circuit_overview_spur_no.png 24Kpng
[IMG]Split A Ring Circuit.png155Kpng
[IMG]Traditional UK final ring circuit.png276Kpng

唐太宗問玄奘大師:
『我想供僧,但聽說許多僧人
    無有修行,應當如何 ?』
玄奘大師開示說:
『昆山有玉,難免混雜泥沙;
    麗水產金,豈能沒有瓦礫 ?』

「土木雕成羅漢,敬奉就能培福;
    銅鐵鑄成佛像,毀壞則會造罪 !」
「泥龍雖不能降雨,
    但祈雨必須祈禱泥龍;
    凡僧雖不能降福,
    但修福必須供敬凡僧 !」

世間一切苦     悉從自利起
世間一切樂     皆從利他生
All Suffering comes from selfish
All Happiness comes from contribution

蠢人總覺別人蠢 ,傻瓜總覺別人傻!
Only a fool would think the others are fool !

歡迎廣傳 Copy Welcome !