UTF-8 Go top 頁頂

為善如春天之草 不見其長 日有所增
作惡如磨刀之石 不見其缺 日有所損

[ICO]NameSizeDescription

[PARENTDIR]Parent Directory -  
[   ]步進馬達控制.doc264Kdoc
[   ]down01.doc286Kdoc
[   ]down02.doc 30Kdoc
[   ]down03.doc 46Kdoc
[   ]down05.doc 26Kdoc
[   ]down06.doc 35Kdoc
[   ]down07.doc116Kdoc
[   ]down08.doc 25Kdoc
[   ]PLC 應用實例 三路搶答判別電路.doc 65Kdoc
[   ]PLC 與七劃管的介面.doc 75Kdoc
[   ]PLC_3_zone_alarm_using_JMP.doc 44Kdoc
[   ]PLC_4ZomeAlarm_Ladder.doc 53Kdoc
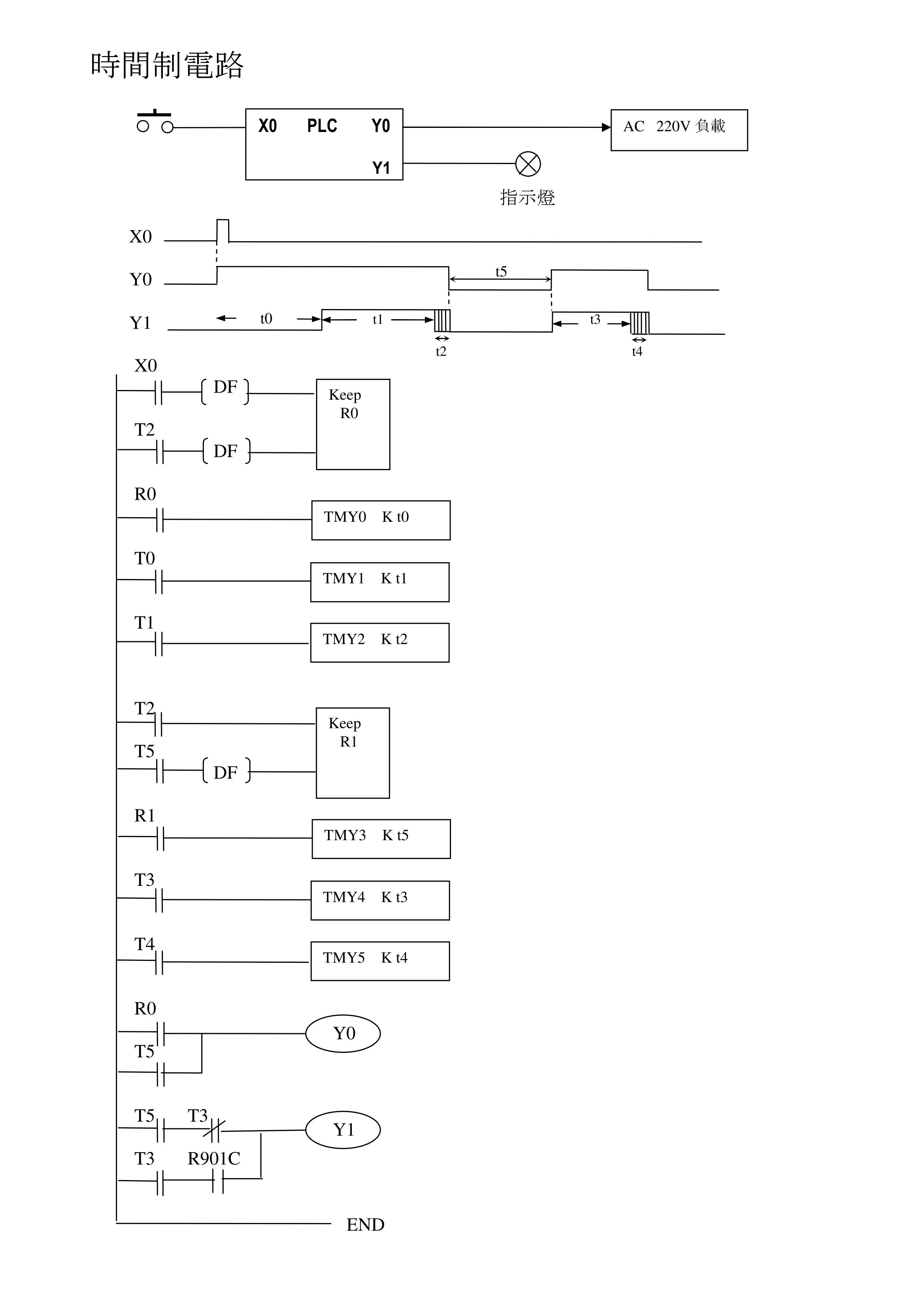
[IMG]時間制電路.jpg277Kjpg
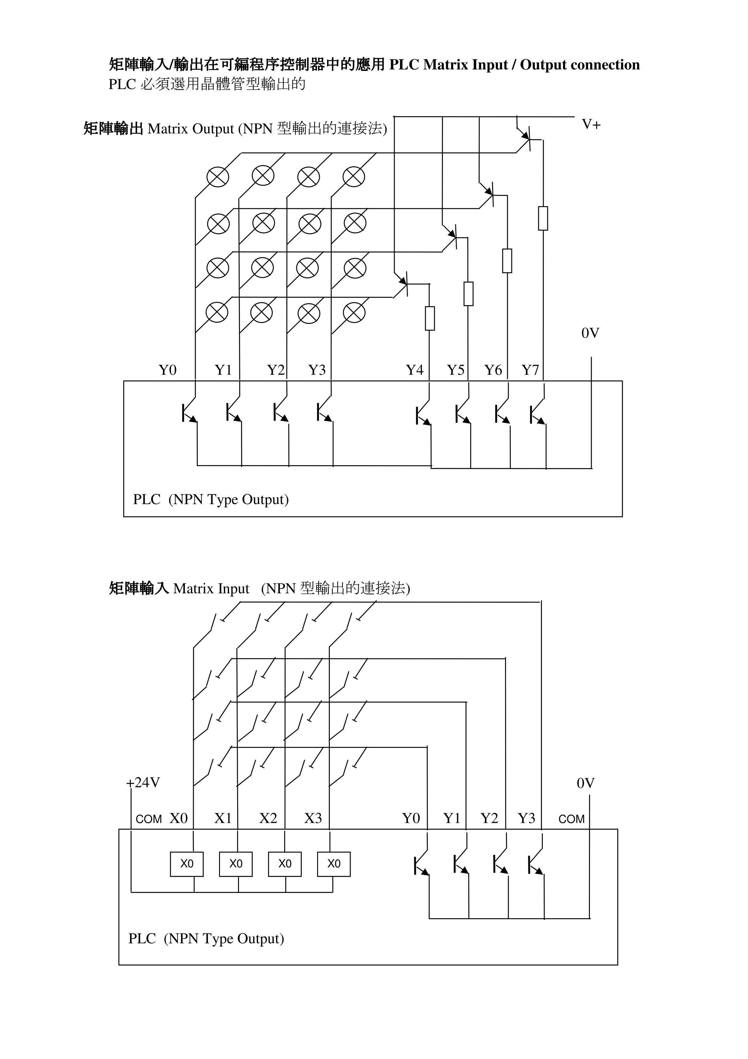
[IMG]矩陣輸入-輸出在可編程序控制器中的應用_01.jpg393Kjpg
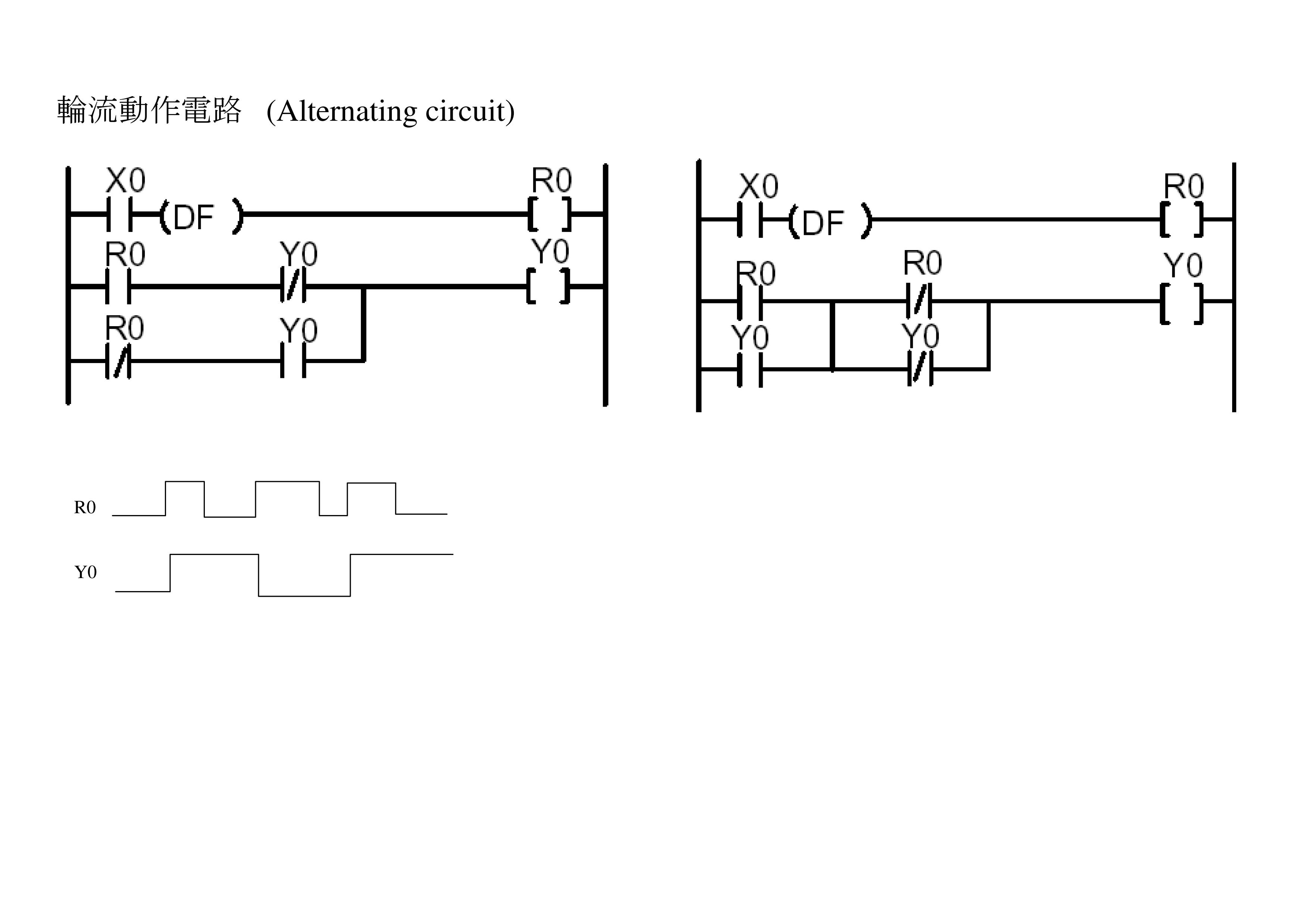
[IMG]輪流動作電路 (Alternating circuit).jpg243Kjpg
[   ]機電工程處 PLC 試題 EM031-2004.pdf255Kpdf
[   ]3zone_alarm_No JMP.pdf 20Kpdf
[   ]DVP-PLC 編程實作範例 2008-02-18.pdf3.7Mpdf

唐太宗問玄奘大師:
『我想供僧,但聽說許多僧人
    無有修行,應當如何 ?』
玄奘大師開示說:
『昆山有玉,難免混雜泥沙;
    麗水產金,豈能沒有瓦礫 ?』

「土木雕成羅漢,敬奉就能培福;
    銅鐵鑄成佛像,毀壞則會造罪 !」
「泥龍雖不能降雨,
    但祈雨必須祈禱泥龍;
    凡僧雖不能降福,
    但修福必須供敬凡僧 !」

世間一切苦     悉從自利起
世間一切樂     皆從利他生
All Suffering comes from selfish
All Happiness comes from contribution

蠢人總覺別人蠢 ,傻瓜總覺別人傻!
Only a fool would think the others are fool !

歡迎廣傳 Copy Welcome !