UTF-8 Go top 頁頂

為善如春天之草 不見其長 日有所增
作惡如磨刀之石 不見其缺 日有所損

[ICO]NameSizeDescription

[PARENTDIR]Parent Directory -  
[DIR]设计1/ -  
[DIR]001/ -  
[DIR]IRF9640 640图腾电路图/ -  
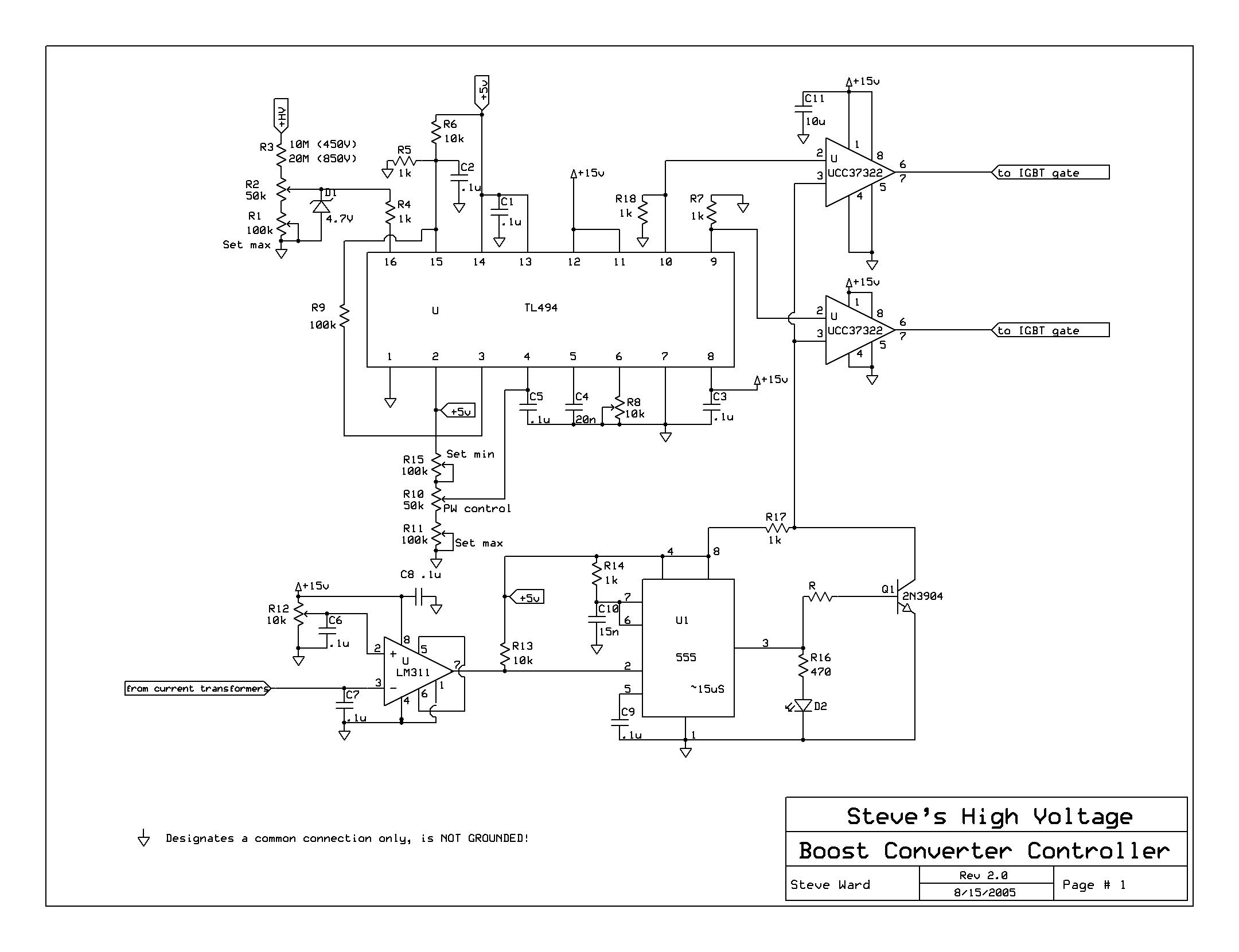
[IMG]boostsch1-2.JPG236Kjpg
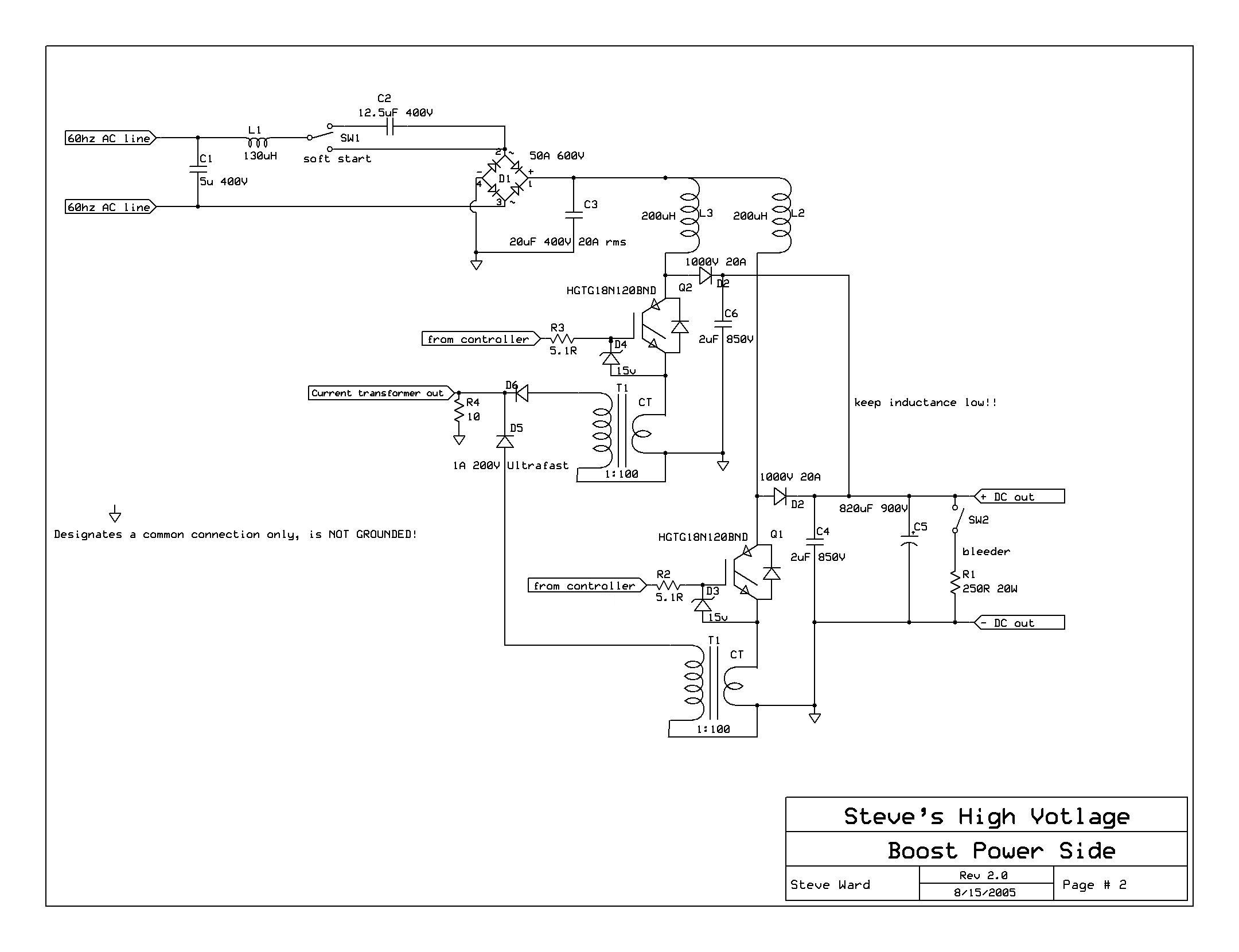
[IMG]boostsch2-2.JPG205Kjpg
[IMG]cts.JPG196Kjpg
[IMG]dualdone1.JPG283Kjpg
[IMG]dualinductors.JPG250Kjpg
[IMG]meters1.JPG257Kjpg
[IMG]qcw_scheme俄罗斯文.jpg313Kjpg

唐太宗問玄奘大師:
『我想供僧,但聽說許多僧人
    無有修行,應當如何 ?』
玄奘大師開示說:
『昆山有玉,難免混雜泥沙;
    麗水產金,豈能沒有瓦礫 ?』

「土木雕成羅漢,敬奉就能培福;
    銅鐵鑄成佛像,毀壞則會造罪 !」
「泥龍雖不能降雨,
    但祈雨必須祈禱泥龍;
    凡僧雖不能降福,
    但修福必須供敬凡僧 !」

世間一切苦     悉從自利起
世間一切樂     皆從利他生
All Suffering comes from selfish
All Happiness comes from contribution

蠢人總覺別人蠢 ,傻瓜總覺別人傻!
Only a fool would think the others are fool !

歡迎廣傳 Copy Welcome !