UTF-8 Go top 頁頂

為善如春天之草 不見其長 日有所增
作惡如磨刀之石 不見其缺 日有所損

[ICO]NameSizeDescription

[PARENTDIR]Parent Directory -  
[   ]全桥.doc444Kdoc
[   ]IGBT模块 特斯拉线圈无次级.doc714Kdoc
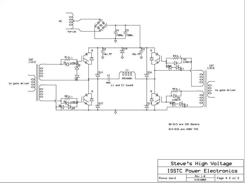
[IMG]SSTC-2.gif 14Kgif
[IMG]IGBT全桥.jpg 86Kjpg
[IMG]QQ图片20151201194213.jpg148Kjpg
[IMG]T2LlwmXhNaXXXXXXXX_!!1015770010.jpg 31Kjpg
[IMG]T2OYrxXotbXXXXXXXX-867818313.jpg355Kjpg
[IMG]T28CPTXxpXXXXXXXXX-867818313.jpg248Kjpg
[IMG]yuio.jpg 70Kjpg
[   ]半桥与全桥的优缺点比较.pdf287Kpdf
[IMG]QQ图片20151207212053.png 37Kpng

唐太宗問玄奘大師:
『我想供僧,但聽說許多僧人
    無有修行,應當如何 ?』
玄奘大師開示說:
『昆山有玉,難免混雜泥沙;
    麗水產金,豈能沒有瓦礫 ?』

「土木雕成羅漢,敬奉就能培福;
    銅鐵鑄成佛像,毀壞則會造罪 !」
「泥龍雖不能降雨,
    但祈雨必須祈禱泥龍;
    凡僧雖不能降福,
    但修福必須供敬凡僧 !」

世間一切苦     悉從自利起
世間一切樂     皆從利他生
All Suffering comes from selfish
All Happiness comes from contribution

蠢人總覺別人蠢 ,傻瓜總覺別人傻!
Only a fool would think the others are fool !

歡迎廣傳 Copy Welcome !